ELETTRONICA AMATORIALE

Shift register

Fondamentalmente uno shift register consiste in una sequenza di uscite, attivate da un impulso di clock, che può essere automatico o manuale. Qui di seguito descrivo due possibili soluzioni, una con relè, l' altra con porte logiche.

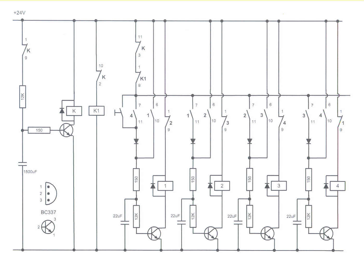
Shift register con relè

Questo circuito controlla una sequenza di relè, attivandoli uno per volta con intervallo regolare. Si tratta quindi di una sorta di shift register elettromeccanico, in questo caso unidirezionale. Il circuito funziona con una sequenza di 4 relè, ma essendo ripetitivo può essere esteso. Non appena alimentiamo il circuito lavorano solamente i relè K e K1, che servono a generare l’ impulso di clock. Pigiando il pulsante il ciclo si innesca e si ripete all’ infinito. L’ apertura del contatto K1(1,9) è simultanea all eccitazione di ciascuno dei 4 relè, che di conseguenza lavorerebbe in condizione incerta. Per questo motivo ho utilizzato i 4 condensatori. I diodi impediscono ricircoli di corrente che farebbero lavorare i relè in maniera sbagliata. Questo circuito è stato testato con un intervallo di circa un secondo. Tempi più brevi potrebbero surriscaldare i relè, specialmente K e K1. Lo shift register potrebbe essere usato in automazione industriale per gestire cicli di operazioni.

shift-register-relè

Video su Youtube

Shift register con porte logiche

In questo caso l' impulso di clock viene dato manualmente attraverso un pulsante. Come nel precedente, gli stadi sono 4. Non appena alimentiamo la rete, il primo stadio si attiva. Come si può vedere nel diagramma, la porta numero 1 si attiva se l' ingresso di clock ed il precedente stadio sono entrambi attivati. Ma la porta numero 2 va a livello alto se il precedente stadio si attiva per primo: questo impedisce all' impulso di clock di attivare tutti gli stadi simultaneamente. Ciascuno degli stadi 1-2-3 vengono disabilitati tramite la porta numero 8. Questo shift register è stato testato anche con un simulatore online.

Video su Youtube

Background image designed by macrovector_official / Freepik