ELETTRONICA AMATORIALE

Intermittenza LED

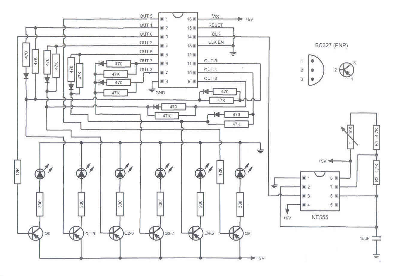
Basato su CD4017 questo circuito produce un’ intermittenza simile a quella del famoso “effetto supercar”, ma con le uscite utilizzate al contrario. In pratica avremo una serie di LED accesi con un LED spento che scorre avanti e indietro. Dato che gli stadi sono soltanto 6 con un solo contatore è possibile pilotarli in maniera bidirezionale. Le uscite da 0 a 5 spengono i LED da 1 a 6, mentre le restanti uscite spengono i LED da 5 a 2. Dato che ciascun LED estremo è pilotato da una sola uscita, per usarla al contrario basta un transistor PNP. Per gli stadi intermedi il discorso è un po’ più complicato: ciascun LED è pilotato attraverso due uscite e si spegne quando una sola di esse va a livello alto. In questo schemino i contatti a scambio rappresentano lo stato delle uscite, anche se in realtà nei componenti elettronici non è proprio così. Se le uscite sono entrambe basse la base del transistor viene pilotata con una resistenza di 23,5K. Se una sola uscita va a livello alto la resistenza di basso valore bypassa la base del transistor, che di conseguenza va in interdizione. Non essendo utilizzati, i pin 15 e 13 (reset e blocco conteggio) vanno direttamente collegati al negativo dell' alimentazione. Il trimmer permette di regolare la velocità dell' intermittenza.

intermittenza led

Video su Youtube

Background image designed by macrovector_official / Freepik