ELETTRONICA AMATORIALE

Allarme antifurto

La maggior parte dei sistemi di allarme antifurto in commercio sono centraline piuttosto costose; in alcuni casi si tratta di sistemi multifunzione (rilevamento d'incendi, gas, gestione luci, climatizzazione ecc.) controllati da computer. Per proteggere un appartamento non troppo grande, potrebbe andare bene un allarme antifurto auto costruito come quello che sto per descrivere. Ovviamente non offrirà lo stesso livello di protezione dei costosi sistemi in commercio (spesso acquistabili solo tramite le ditte installatrici); è inutile dire che la cifra che conviene spendere per un allarme antifurto è commisurata all' entità dei beni da proteggere.
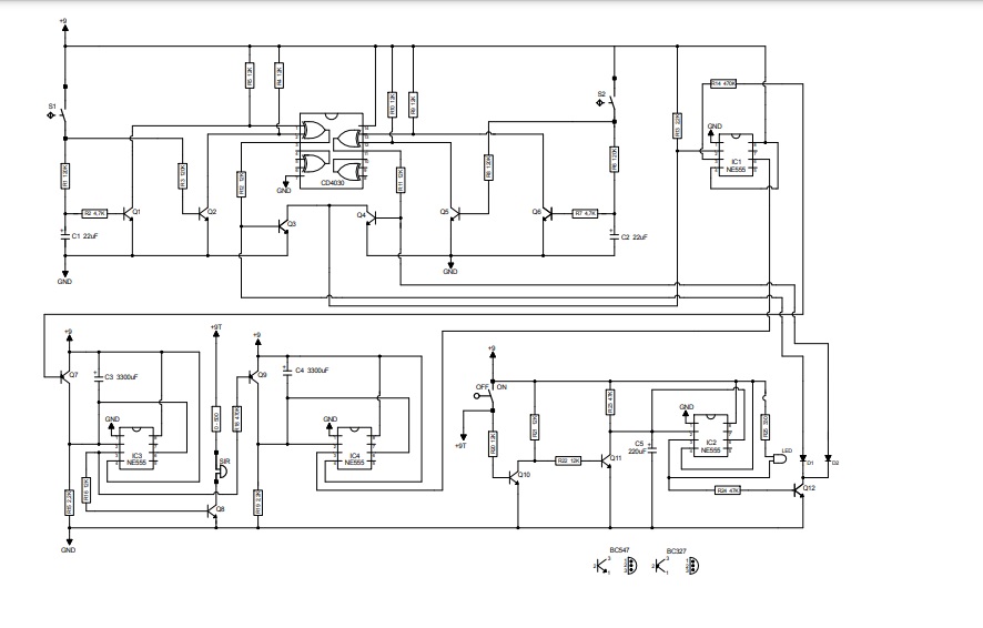
Premetto subito che il sistema descritto di seguito non è wireless, tuttavia lo potrebbe facilmente diventare. La centralina funziona con porte logiche e integrati NE555. Se l' interruttore on-off è aperto, il collettore Q11 tiene a livello basso i terminali d' ingresso dell' integrato IC2. Dal momento che l' uscita di questo integrato è alta, i transistors Q3 e Q4 rimangono interdetti per via del collettore Q12, quindi la centralina non è attiva.
Chiudendo l' interruttore, l' uscita dell' integrato IC2 va a livello basso, con un ritardo che dipende dal condensatore C5. A questo punto l' allarme antifurto si attiva e il led si accende. Se un sensore cambia condizione anche solo per un attimo, una uscita dell' integrato CD4030 si attiva e torna subito a livello basso. L' uscita dell' integrato IC1 si attiva e porta in interdizione il transistor Q7; l' uscita dell' integrato IC3 diventa alta, con un ritardo che dipende dal condensatore C3. Si attiva quindi la sirena di allarme e il transistor Q9 va in interdizione. Quando interviene l' integrato IC4, la sirena smette di suonare e la centralina ritorna alla condizione iniziale.

centralina antifurto

Video su Youtube

Background image designed by macrovector_official / Freepik