ELETTRONICA AMATORIALE

Chiave elettronica

Qui di seguito descrivo due possibili soluzioni per realizzare una chiave elettronica che si attiva con la pressione di una serie di tasti nella sequenza corretta. La prima soluzione utilizza un contatore CD4017 e delle porte logiche, mentre la seconda, un po più complessa, utilizza solo porte logiche.

Chiave elettronica a 4 tasti

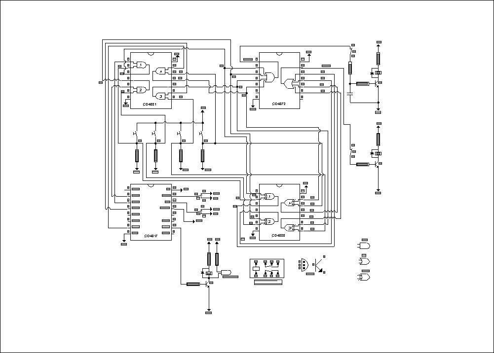
Il circuito utilizza, come già detto, un contatore CD4017 che attraverso una combinazione di porte logiche avanza di una uscita ad ogni pressione del tasto corretto. Inizialmente il contatore attiva l' uscita 0, che è collegata ad un ingresso della prima porta del CD4081. Premendo il tasto P1 portiamo a livello alto anche l' altro ingresso. Di conseguenza si attiva il pin 3 del CD4081 e quindi il pin 1 del CD4072. L' impulso del relè K1 fa avanzare il contatore di una uscita. Per un corretto funzionamento ho inserito un condensatore che mantiene K1 attivato per circa mezzo secondo (la pressione dei tasti non deve durare di più). Una volta digitata la combinazione corretta il pin 10 del CD4017 attiva il comando tramite relè K3. Il CD4030 è costituito da 4 porte EXOR. Ciascuna porta ha due ingressi: uno è collegato ad un tasto, l' altro ad una uscita del CD4081. Premendo un tasto errato gli ingressi della relativa porta assumono livello differente, attivando l' uscita e di conseguenza il pin 13 del CD4072. L' impulso del relè K2 resetta il contatore e occorre quindi ripetere da capo la combinazione.

chiave elettronica

Chiave elettronica a 5 tasti

Come si può vedere dal diagramma logico il relè di sblocco viene comandato dalla porta numero 5 (pin 3 di IC2). Tale porta si attiva se il tasto 5 viene premuto e la porta 4 è a livello alto; lo stesso discorso vale per gli stadi precedenti. Ciascuna delle porte 10, 11, 12, 13 si attiva se un tasto da 2 a 5 viene premuto e lo stadio precedente (porte logiche da 1 a 4)  è a livello 0, in altre parole quando si sbaglia tasto; si attiva quindi un segnale di reset che azzera il circuito. Per comprendere meglio il funzionamento di questa chiave elettronica puoi dare uno sguardo a questa simulazione.
Video su Youtube

Background image designed by macrovector_official / Freepik